電話:021-62522001
作者:NCC電容 發布時間:2020-09-30 22:49:32 訪問量:7036 來源:NIPPON CHEMI-CON

● 提升模塊設計自由度
● 模塊包小型化、省空間。
● 不受溫度范圍影像的低阻抗特性。

◆規格表

◆產品一覽表
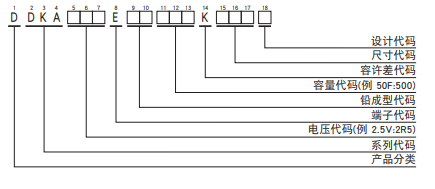
● DKA系列

◆產品型號體系

相關資訊推薦:
NIPPON CHEMI-CON:開發出了螺絲端子型鋁電解電容器 RHA 系列
聲明:本文由櫻拓貿易收集整理關于 黑金剛電容相關的《NCC電容:超級電容器DKA系列》,如轉載請保留鏈接:http://www.xyawj.com/news_in/662。