電話:021-62522001
作者:NCC電容 發布時間:2020-08-11 11:25:51 訪問量:7105 來源:NIPPON CHEMI-CON
今天主要是介紹NCC電容陶瓷壓敏電阻的常見使用案例和注意事項,選擇TNR的規格時請注意這些條件。
1 電源浪涌保護
(1)布線舉例

(2)規格選擇舉例

2 對半導體、IC感應開關的脈沖保護及接觸火花的清除
(1)布線舉例

(2)規格選擇舉例

(3)TNR的使用注意事項
a. 請注意2-1節所解釋的“電源浪涌保護”部分。
b. 關于施加的浪涌次數與TNR的關系,請參照浪涌壽命特性曲線,選擇滿關足要求的TNR。
c. 請選擇額定功率大于平均功率的TNR以確保能夠吸收高頻浪涌。
3 減少信號傳輸線之間的浪涌
(1)布線舉例
(2)規格選擇舉例

4 各領域選型示例

5 使用時的注意事項
除以下注意事項之外,也請充分考慮電源浪涌保護頁所記述的注意事項。
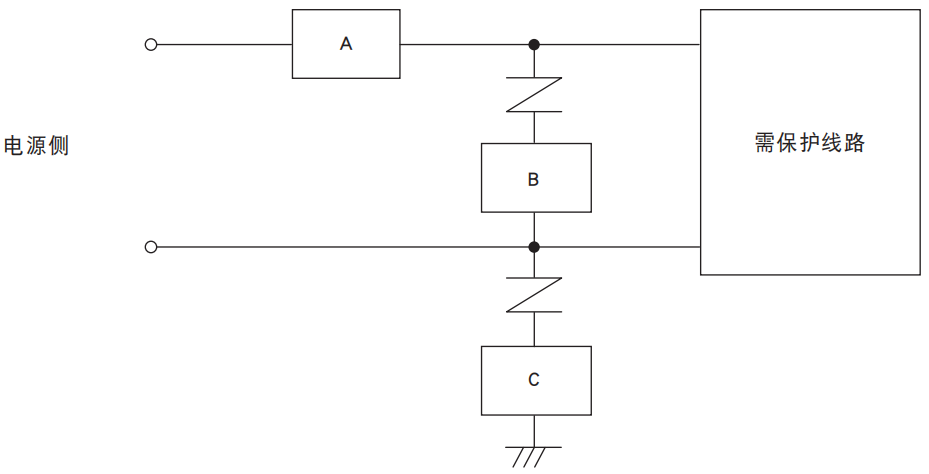
1. 當吸收超過 TNR 額定的浪涌時,TNR 可能發生短路或者損壞,所以請采取下圖所示對策。

(1)將TNR安裝在離過電流保護器(如:斷路器、保險絲等)更近的位置,在TNR短路時立刻讓其與電源端斷開。
(2)如果不能在位置A安裝過電流保護器,請安裝在位置B。
(3)位置A或位置B的保險絲規格舉例如下:

(4)如果TNR連接在功率線與地之間,需要在A位置使用漏電斷路器或者在C位置連接TNR與熱結合的溫度保險絲。 同時,使用帶有溫度保險絲的GF系列TNR效果更佳。
2. 如果暴露在陽光下或者接近熱源時,請確認TNR的工作溫度范圍。
3. 連接TNR的線請盡量短。如果連接線較長,連接線的電感會使電壓下降,對于快速上升的浪涌的吸收效果也會下降。
上海櫻拓貿易有限公司是日本NIPPON CHEMI-CON(NCC電容|黑金剛電容)中國區的總代理。
相關資訊推薦:
聲明:本文由櫻拓貿易收集整理關于 黑金剛電容相關的《NCC電容陶瓷壓敏電阻的使用案例和注意事項》,如轉載請保留鏈接:http://www.xyawj.com/news_in/597。
下一篇:介紹黑金鋼電解電容的特點和用處